| 加工定制否 | 品牌巴普曼 |
| 配件名称行星减速马达 | 材质铸铁 |
| 型号BPER060 | 适用范围行星减速机 |
巴普曼行星减速马达BPER060
巴普曼工业科技(广东)有限公司是***巴普曼行星减速马达的厂家,依靠完善的质量管理体系,使产品质量得到***保证,深受广大用户的信赖!
巴普曼行星减速机适用于松下、三菱、安川、富士、东元、台达、力川、施耐德、汉德保、华大、东方、白山、雷赛等各品牌伺服电机与步进电机。
产品性能特点:
1.任意方向安装,减速机前后轴承均采用自润滑轴承,可满足多方向安装。
2.低背隙,轴与齿轮等***加工件符合DIN6标准。
3.免维护设计,轴承与油封均采用防泄漏设计,采用***人工合成润滑油,流动性佳,富含极压抗压剂, 齿箱内各零件间充分得到润滑及保护,可免换润滑油。采用特高质量、耐热、***不易变质之油封,使得密封性佳。
4.高输入转速,采用高负载轴承,能够确保减速机高输入转速。
5.高输出扭矩,齿轮箱和内还齿轮采一体式设计,结构紧实、机密度高、输出扭矩大。高质量滚锥轴承,输出轴能承受更大的轴向和径向的负荷,大扭力,应用***。
6.低噪音,采用***研磨齿轮,齿面平滑,精度高,齿轮运转平顺而噪音小。采用德制***人工合成润滑油,非一般减速机使用油脂润滑流动性佳,齿轮能在充分油膜保护下运转,降低噪音。
7.使用寿命长,采用高级镍铬钼合金钢材,经深层的渗碳硬化处理后,再经***齿面研磨,使得齿轮刚性大,且齿面光滑***性佳,可延长寿命。
8.安装简单,马达连接板和衬套采用模块化设计,以确保在高输入转速下结合接口的同心度和零背隙的动力传递。适用于任何品牌、型式的伺服马达
9.***,一段:≧ 95% ,二段:≧ 92%。
产品参数:
等级 | BPER060 | BPER090 | BPER120 | BPER140 | |||
传动比 | Ⅰ | 3, 4, 5, 7, 10 | |||||
Ⅱ | 15, 20, 25, 30, 35, 40, 50, 70, 100 | ||||||
满载时效率 | η | % | Ⅰ | ≥93 | |||
Ⅱ | ≥90 | ||||||
***工作温度 / 工作温度 | xTmin / Tmax | °C | -10 / 90 | ||||
防护等级 | IP65 | ||||||
标准回程间隙 | jt | arcmin | Ⅰ | ≤7 | ≤7 | ≤7 | ≤7 |
Ⅱ | ≤10 | ≤10 | ≤10 | ≤10 | |||
抗扭刚度 | cg | Nm /arcmin | 5 | 11 | 18 | 50 | |
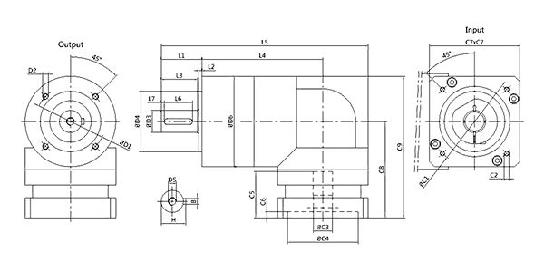
巴普曼行星减速马达BPER060安装尺寸:
选用行星减速机基本的要求,具体如下:
1. 安装尺寸:即伺服电机前端的尺寸。在选用行星减速机,行星减速机的输入端必须与伺服电机的输出端的尺寸完全吻合。
2. 减速比:电机每分钟额定输出转数/减速比=减速机每分钟输出多少转,行星减速机应尽量选用接近理想的减速比,以保证得到理想的转速。
3. 扭矩:伺服电机额定输出扭矩(步进电机是保持转矩)*减速比,减速机额定输出转数一定要大于这个数值,如果小于,减速机会缩短使用寿命,严重情况下会断轴或者崩齿。
4. 回程背隙:回程间隙(精度)→(行星减速机输出轴一圆周分为360度,一度=60弧分)即我们常说的“弧分”,单位:arcmin。回程间隙越小,其精度越高,成本也越高,用户选择满足其精度要求的减速机就可以了。还要考虑横向/径向受力和平均寿命。横向/径向受力大的减速机在安装和使用中可靠性相对较高,不易出问题。通常其平均寿命远超过所配伺服电机的寿命。
巴普曼行星减速马达满足制药设备行业客户的各种精度,减速比,力矩的选择。我们的网站:/,欢迎访问。






