| 品牌ABBA | 型号BRH25A |
| 种类滚动导轨 | 滑行轨迹直线导轨 |
| 滑轨宽度15 | 滑块个数1-10 |
| 额定动载荷0.29 | 材质轴承钢 |
| 额定静载荷600KGF | 滑轨长度0-4000MM |
供应台湾ABBA线性滑轨工银机床附件ABBA滑轨
ABBA自成立以来,不断在市场及产品质量上努力扎根,先后荣获第九届***研究奖、2002及2004第六届小巨人奖、第六届小巨人奖、以及***届新创事业银质奖等殊荣,此外,更取得经济部工业局奖励投资的新兴重要策略性产业核准,证实国际直线过去五年的努力已经获得客户、厂商及产官学界一致的肯定与支持。
SKF集团成立于1907年,是***的滚动轴承和密封件、机电一体化、润滑、服务和解决方案的供应商。
SKF旗下拥有100余家制造企业,近100家销售公司,40000余名员工,分布在世界各地。SKF集团在70多个国家和地区设有经销机构,并获得***15000余家经销商和代理商的支持。
SKF于2007年4月并购ABBA品牌。国际直线科技股份有限公司及国科精工(平湖)有限公司成为SKF旗下Actuation&Motion Control(致动与直线运动产品)业务单元的一部分。
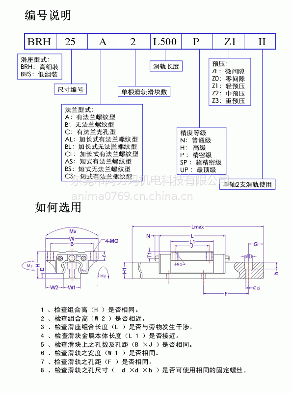
老型号高组装型号:BRH15A BRH20A BRH25A BRH30A BRH35A BRH45A BRH15B BRH20B BRH25B BRH30B BRH35B BRH45B BRH20AL BRH25AL BRH30AL BRH35AL BRH45AL BRH20BL BRH25BL BRH30BL BRH35BL BRH45BL
***号高组装型号:BRC15A0 BRC20A0 BRC25A0 BRC30A0 BRD35A0 BRD45AO BRC15R0 BRC20RO BRC25R0 BRC30RO BRD35RO BRD45RO
***号高组装加长型号:BRC20LA BRC25LA BRC30LA BRD35LA BRD45LA BRC20LR BRC25LR BRD30LR BRD35LR BRD45LR
老型号低组装型号:BRS15B BRS20B BRS25B BRS30B BRS35B BRS45B BRS15BS BRS20BS BRS25BS BRS30BS BRS35BS BRS25BL BRS30BL BRS35BL BRS45BL
***号低组装:BRC15UO BRC20UO BRC25U0 BRC30U0 BRD35UO BRC45UO BRC15SU BRC20SU BRC30SU BRS30SU BRC20LU BRC25LU BRC30LU BRD35LU BRD45LU
使用条件设定○ 应用之设备 ○ 行程○ 内部空进之限制 ○ 运行速度、加速度○ 精度之要求 ○ 使用频率○ 刚性之要求 ○ 使用环境○ 负荷方式 ○ 要求寿命年限
选用系列产品○ BRH系列:磨床、铣床、车床、钻床、综合加工机、放电加工机、搪床、线切割机、***量测仪器、木工机器、搬运机器、运送装置、CNC加工机。BRS系列:产业自动化机器、半导体机械、雷射雕刻机、包装机器。○ BMS系列:印表机、机器手臂、电子仪器设备、半导体设备。
选用精度等级○ N,H,P,SP,UP等级视设备精度要求而定
假定滑块尺寸及数目○ 依经验选用○ 负荷状态○ 若与滚珠螺杆配合使用,则使用之直线导轨规格与螺杆外径相似,如螺杆外径为35mm则选用BRH35规格
计算滑块负荷○ 参照负荷计算例计算单个滑块等效负荷○ 确认选用之直线导轨静安全系数应超过静安全系数使用表所列之值
选择预压力○ 依刚性要求及安装面精度选用
确认刚性○ 参照刚性表计算变形量提高预压力,加大选用尺寸或滑块数以提高刚性
计算使用寿命○ 依使用速度、频率计算寿命距离要求依寿命公式计算选定直线导轨之寿命距离
润滑选用○ 润滑剂选用,依设备需求可选择润滑脂、润滑油或特殊润滑剂润滑定期注入润滑脂或自动供油直线导轨选用完成



