| 品牌CSK | 材质不锈钢 |
| 适用范围电机 | 订货号20180808 |
| 货号9527 | 是否进口否 |
| 型号LMG20HSSP0N | 是否跨境货源否 |
| 种类滑动导轨 | 滑行轨迹直线导轨 |
| 滑块个数1 |
展开
供应进口轴承钢直线导轨 LMG20H型 台湾CSK 机床丝杆导轨附件
[******]迎新*** LMG25H 直线导轨 台湾CSK 进口滑块 ?100?原价¥112折扣8.9节省¥12 1200人参加了活动 数量有限,赶快下单吧! 剩余时间: 小时 分 秒
|
LMG20H直线导轨 台湾CSK品牌
本产品为加工类产品,店铺价为虚拟价格!详情请联系客服咨询,谢谢!
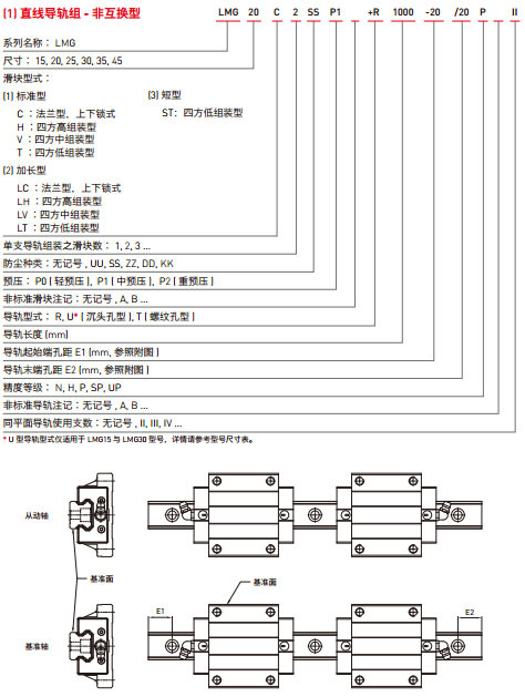
注:上述规格报价所示非滑轨长度,是各滑轨型号
(LMG15/20/25/30/35/45H)各型号具体参数请参考如下产品规格附图,另图
片所示导轨均为各型号导轨外观,只存在大小差异不同
导轨长度可根据实际需要长度加工切割,拍前请联系客服。
***小起订量1套滑轨/1条导轨/1个滑块
批发***小起订量≥100套/条/个
产品图纸
产品构造
产品规格
产品特性
导轨型式
滑块型式
精度等级
预压等级
螺纹孔型导轨尺寸与单只导轨长度与标准孔距


















